Polarj Sapkota

Polarj Sapkota

Electrical Engineer · Theorist


About

If life is a latent space, movement is the only reward.

Hi I'm Polarj, an electrical and electronics engineer with specializations in power and control systems from Kathmandu University. I've built wireless sensor networks for wildlife conservation, shimmed superconducting magnets for MRI systems at General Electric, designed flight controllers for eVTOL aircrafts, and written compilers that turn natural language into verified code.

The thread connecting these is a persistent interest in systems under constraint, specifically—energy, size & SNR—and in building tools that remove friction between thinking and building.

My current life is desingned around maximizing theoretical and applied experimentation. My research direction centers on nanosystems and nanodevices: multi-modal energy harvesting, far-field wireless power transfer, and monolithic integration at the nanoscale. The goal is creating biomimetic devices like the microbots you saw in Big Hero 6 with an even smaller footprint.

I've also recently taken up some interest in compilers after taking a rigorous tour through CS. I'm currently working towards building a natural language compiler that increases LLM-inference efficiency by a factor of ~100,000 compared to current state-of-the-art.

3
Publications
6
Roles
63
Circuit Designs
16
Analytical Works

Experience

EE / Co-founder

May 2025 – Present
Rolos Engineering
  • Full-scale development in embedded & control systems, analog & power electronics, software/data applications
  • Custom power converter design, TRIAC firing control for industrial heating, firmware from scratch
  • Client outreach, project management, and end-to-end technical delivery

Chief Engineer / Founder

Jul 2024 – Jun 2025
Cymbiosys — Wireless Sensor Networks for Bio-Conservation
  • Prototype 60× cheaper than state-of-the-art; targeting 400× at commercial scale
  • 4-microphone array with 2° angular resolution for acoustic source localization
  • Spectrogram-based environmental noise removal; novel PSD ceiling estimation via abstract algebra
  • Technology validated by WWF, SAWEN, NTNC, National Trust for Nature Conservation
  • Comprehensive energy harvesting research including Carbon Nanotube (CNT) feasibility

Field Engineer Apprentice

Nov 2023 – Jul 2024
General Electric Healthcare — Nepal / India
  • Spearheaded Signal Integrity lab at JFWTC Bengaluru: 40 GHz SI via TDR & S-parameter characterization
  • Shimmed superconducting 10.8 H inductor → 1.5 T B-field at 2 parts per billion inhomogeneity
  • Installed and maintained 3T & 1.5T MRI systems
  • Led 4 technical sessions; completed 6 SI certifications (Teledyne LeCroy SI Academy)

Control Systems Engineer

Aug – Nov 2023
Garudeus Aviation Inc.
  • Inertial-frame flight controller and BLDC motor control algorithms for eVTOL
  • Automatic load-tester for onboard power circuits (1 W – 1 kW range)
  • Onboard electrical system design for vehicle communication networks

Electrical Engineering Intern

Feb – Mar 2023
Upper Tamakoshi Hydropower Ltd. (456 MW)
  • 21-day study of Nepal's largest hydropower plant
  • Plant economic modeling, load-flow and contingency studies

Instrumentation Intern

Feb – May 2022
Yatri Motorcycles
  • 8-step Programmable Gain Amplifier board for DAQ: 8-channel MUX, max gain 128, CMRR >120 dB
  • Component selection, sourcing, and PCB manufacture preparation

Research & Ideas

Major intellectual contributions and active research directions.

NLC Compiler output
SOFTWARE THEORY

NLC — Natural Language Compiler

A framework for making LLM-generated code deterministic and verifiable. Each algorithmic step is specified as a domain–range contract: the LLM generates code, the system asserts correctness, and regenerates on failure. The result is a compiler that accepts natural-language algorithm descriptions and produces verified, working programs.

Periodic Table of Software
SOFTWARE THEORY

The Periodic Table of Software (PSI)

The thesis that all computational behavior reduces to ~650 structural primitives—analogous to the periodic table's 118 elements yielding millions of compounds. Working prototype: 35 indexed fragments with domain/range contracts, deterministic SHA-256 caching, and 5 orders of magnitude energy savings (2 J/token compile vs. 36 μJ/token serve).

Future of Software Labor
ECONOMICS & LABOR

The Future of Software Labor

A book-length research essay analyzing 260 years of labor transitions through the lens of AI-driven automation. Central finding: when a capability becomes cheap, labor migrates one abstraction layer up. Examines SWE-bench benchmarks, Cursor's growth, junior developer employment data, and the 4.8M unfilled cybersecurity roles.

Wireless sensor networks for conservation
CONSERVATION TECH

Wireless Sensor Networks for Wildlife

Designed and prototyped sensor nodes using 4-element microphone arrays with 2° angular discrimination, spectrogram-based noise removal, and novel PSD estimation via abstract algebra. Detects poaching activity (gunshots, chainsaws, engines) in real-time across protected habitats. Validated by four major conservation organizations.

Real-time thermal rating setup
POWER SYSTEMS

Real-Time Thermal Rating of Transmission Lines

R&D system calculating real-time ampacity based on air/conductor temperature, wind speed, and solar heating. Includes predictive models for ampacity forecasting to enable dynamic line rating. Published at IEEE PowerCon 2024.

Heartbeat anomaly detection
MACHINE LEARNING

Heartbeat Anomaly Detection

ANN & LSTM-based predictive models for detecting abnormal cardiac conditions including atrial fibrillation. Trained on ECG time-series data with real-time classification output.

Engineering Portfolio

Hardware, power systems, control, instrumentation, and design projects. Click thumbnails to explore.

Overcurrent protection

Power Systems

  • Overcurrent protection system design
  • Transmission line design
  • Switchgear and grounding system
  • Load-flow and contingency analysis
  • HVDC protection & control research
  • 456 MW hydropower plant modeling
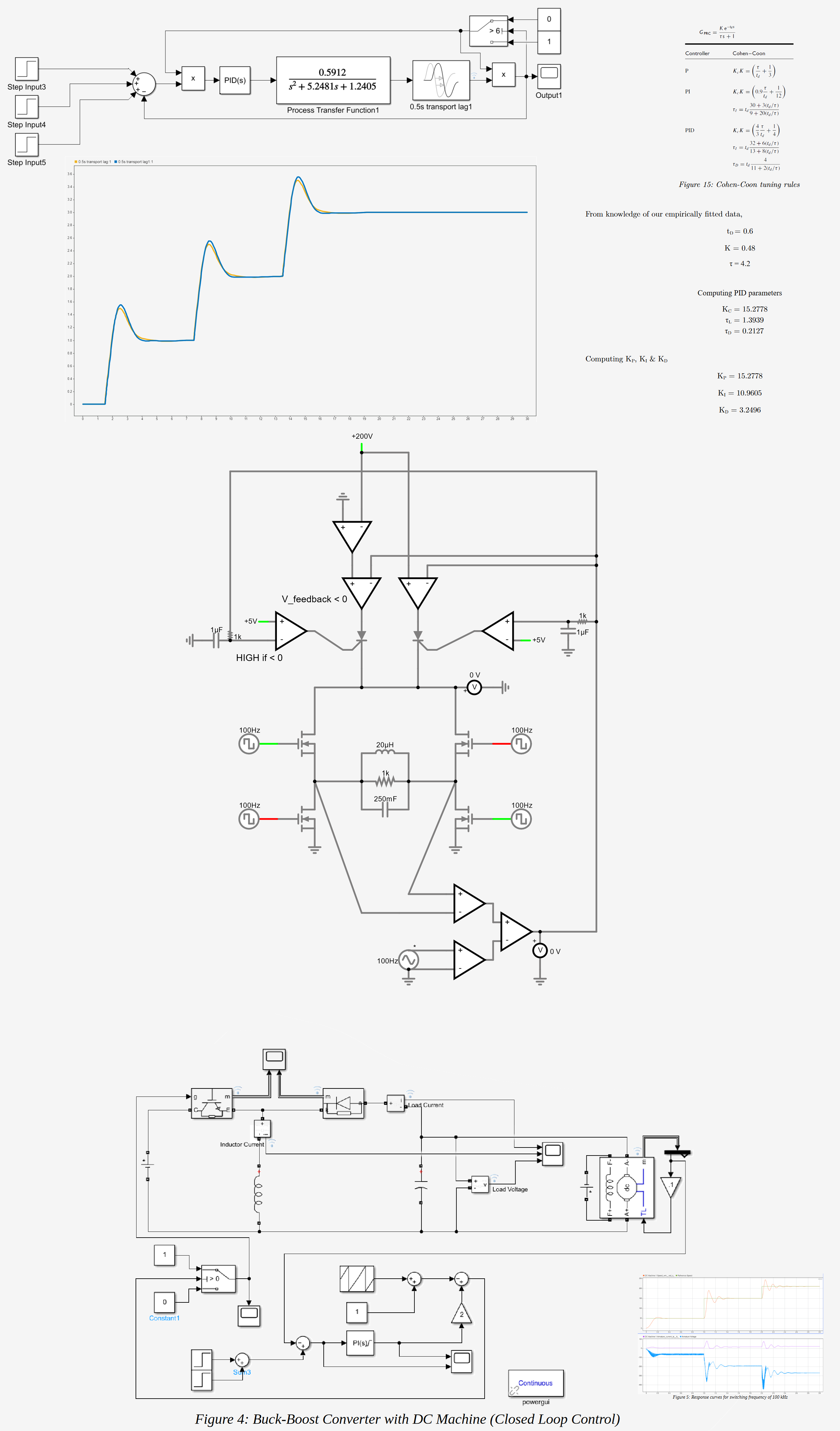
Power electronics

Power Electronics

  • Static VAR compensator
  • Switched PFC reactor
  • Novel current source topology
  • Simplest resonant converter
  • Closed-loop boost converter with DC machine
  • TRIAC firing control for industrial heating
Control systems

Control Systems

  • eVTOL inertial-frame flight controller
  • BLDC motor control algorithms
  • Voltage-controlled inverter
  • Dye-injection process control
  • Ackermann gain and observer design
  • Automatic load-tester (1 W – 1 kW)
Signal processing

Signal Processing & Instrumentation

  • 40 GHz Signal Integrity (TDR + S-parameters)
  • Binaural recording microphone array
  • Acoustic source localization (4-mic, TDOA)
  • 8-step PGA for DAQ (CMRR >120 dB)
  • Edge detection, histogram equalization, SVD
Embedded hardware

Embedded Systems & Hardware

  • STM32 AC waveform monitor (ADC, UART, ZCD)
  • Multi-axis haptic joypad (discrete analog, no MCU)
  • Multi-level security (discrete logic, 2FA, no MCU)
  • Battery level indicator circuit
  • Path-planning rover (GNC, obstacle avoidance)
  • MRI magnet shimming (10.8 H, 1.5 T, 2 ppb)
Lighting design

Lighting & Facility Design

  • RGB art gallery (DIALux, multiple renders)
  • Basantapur lighting intervention study
  • KU ring road lighting case study
  • Food processing plant & boiler installation
  • Industrial warehouse construction
Optimization

Optimization

  • F1 game performance optimization
  • NPN-BJT VBE optimization
  • Switching-noise reduction
  • MIMO channel power optimization
  • Root variation analysis
Image processing

Image Processing

  • Edge detection suite (multiple operators)
  • Histogram equalization
  • SVD compression analysis
  • Temperature-changing kernel
  • Customizable DFT matrix

Visual Galleries

Click any image to enlarge.

Software & Computing

From compilers to quantum circuits to AI-powered entertainment.

NLC Compiler

JavaScript · Claude API · Domain-Driven Design

Live compiler: write algorithms in plain English, get verified working code. Iterative domain–range assertion ensures deterministic outputs from a probabilistic LLM.

Fungible Software Engine v0

Python · Flask · SHA-256 Caching

35 indexed computational fragments with contracts, 5 composition pipelines, deterministic cache. Proof-of-concept for the Periodic Table of Software thesis.

Knowledge Pipeline

Python · Claude Vision · Typst · PyMuPDF

Converts handwritten notes and photographs into typeset documents. Claude Vision extracts structure into JSON IR; renders to Typst, LaTeX, or HTML.

Brain Pipeline

GitHub Actions · LaTeX · Overleaf · Claude API

Voice-to-paper infrastructure. Record → transcribe → structure with AI → auto-compile to PDF. Zero-cost publishing on free tiers.

NN Sonifier

Python · NumPy · Sounddevice

Real-time audio sonification of neural network training. Maps layer weights to frequency bands; demonstrates grokking (sudden memorization → generalization phase transition) through sound.

Quantum Circuits

Qiskit · OpenQASM 2.0 · BluequBit

Collection of circuits from 4 to hundreds of qubits. RY, RZ, SX, CZ gate operations executed on quantum hardware. Includes hackathon competition entries.

Badlibs

Python · Flask · GPT-4 · SQLite · Vercel

Daily AI-generated Mad Libs with 16 custom lib types, crowdsourced quality voting, and analytics. Deployed live.

DirtyMario

Python · Pygame

Platformer engine with physics, AI enemy behaviors (chaser, camper, bouncer), level editor, and neural network input vector generation for future ML integration.

Acoustic Source Localization

Python · NumPy · Matplotlib

TDOA cross-correlation across environmental scenarios (Kathmandu, Amazon rainforest). Temperature-adjusted speed of sound, dual-frequency analysis at 1 kHz and 20 kHz.

STM32 Waveform Monitor

C · STM32 HAL · ADC · UART

Embedded firmware for real-time AC analysis: peak detection, zero-cross detection, min/max tracking, and data averaging at 50/60 Hz. Timer interrupts and ISR callbacks.

Signal Processing Library

Python · NumPy · SciPy

Hadamard transforms, Joukowsky airfoil flow fields, Radon transforms, SVD image compression, Fourier phase analysis, and cross-correlation with sliding windows.

Wealth Redistribution Model

Python · Discrete Mathematics

Discrete mathematical model simulating wealth redistribution dynamics. Analyzes convergence behavior and equilibrium states in economic systems.

Documents & Papers

All downloadable reports, research papers, and project documentation.

Curriculum Vitae

CV
↓ PDF

NLC: A Natural Language Compiler with Deterministic Outputs

PUBLICATION
↓ PDF

Fungible Software Case Study

PUBLICATION
↓ PDF

Real-Time Thermal Rating of Overhead Lines

PUBLICATION · IEEE POWERCON 2024
↓ PDF

Control Characteristics Simulation of Power Converters

TECHNICAL REPORT
↓ PDF

Dye-Injection Process Control

TECHNICAL REPORT
↓ PDF

Research on HVDC Protection & Control Equipment

TECHNICAL REPORT
↓ PDF

Wealth Redistribution Model (Discrete Systems)

TECHNICAL REPORT
↓ PDF

Heartbeat Anomaly Detection

COURSE PROJECT
↓ PDF

Binaural Recording Project — Progress Report

COURSE PROJECT
↓ PDF

Binaural Recording Proposal

COURSE PROJECT
↓ PDF

Gamepad Haptic Feedback

COURSE PROJECT
↓ PDF

Dual-Axis Haptic Feedback Joypad with Finer Control

COURSE PROJECT
↓ PDF

Battery Level Indicator — Final Report

COURSE PROJECT
↓ PDF

Food Processing Plant & Boiler Installation Report

COURSE PROJECT
↓ PDF

Industrial Warehouse Construction Report

COURSE PROJECT
↓ PDF

Education

BE Electrical & Electronics Engineering

Kathmandu University, Dhulikhel · 2018 – 2023

Specialization in Power & Control. Undergraduate thesis on real-time thermal rating of overhead transmission lines, published at IEEE PowerCon 2024.

+2 Science

St. Xavier's College, Kathmandu · 2015 – 2017

Self-Taught & Independent Study

CS50 (Harvard) CS50P Python CS50W Web Dev MIT 18.06 Linear Algebra EE261 Fourier Transform EE263 Linear Dynamical Systems Teledyne LeCroy SI Academy (6 courses)

Core University Coursework

Differential Equations Complex Analysis Probability & Statistics Signals & Systems Control Systems Power Systems Analysis Power Electronics Digital Signal Processing Electromagnetic Fields Microprocessors Electric Machines Switchgear & Protection High Voltage Engineering Communication Systems Digital Logic Design Data Structures & Algorithms Numerical Methods Instrumentation Network Theory

Skill-sets

Languages

  • C / C++
  • Python
  • MATLAB
  • JavaScript
  • Verilog HDL
  • OpenQASM

Circuit & PCB

  • KiCAD, Proteus, LTSpice
  • Multisim, Cadence Sigrity
  • High-speed digital / SI / PI
  • PDN design

Control & Simulation

  • Simulink (signal & control)
  • PID, Full-state feedback
  • LQR, LQG, Kalman filtering
  • ETAP, DIGSilent PowerFactory

Embedded

  • STM32 HAL / bare-metal
  • SPI, UART, I2C
  • ADC, Timer interrupts
  • FPGA synthesis

Lab Equipment

  • Oscilloscope, VNA, TDR
  • Function gen, Power spectrum analyzer
  • Goniophotometer
  • Custom test circuit design

Software & AI

  • Flask, NumPy, Matplotlib, SciPy
  • Claude / OpenAI APIs
  • Qiskit, PyMuPDF, Typst
  • GitHub Actions, Git, Docker

Contact